
.jpg)
单出轴超薄磁粉制动器概述
ZX型单出轴止口支撑超薄磁粉制动器广泛应用于包装、印刷、造纸、纺织、印染、橡胶、电线、电缆、冶金以及其他有关卷取加工行业中的放卷及收卷张力控制。
此外ZX型单出轴磁粉制动器还可用于调速、过载保护及缓冲启动等。磁粉制动器则经常被用于传动机械的测功加载及制动等。
单出轴超薄磁粉制动器技术参数
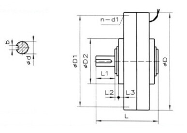
规格型号 | 额定 转矩 N·m | 滑差 功率 W | Zui大 电流 A | Zui高 转速 rpm | 外形尺寸 | 轴连接尺寸 | 止口支撑尺寸 | 冷却方式 | |||||||
D | L | d (h7) | b | L1 | L2 | L3 | D1 | D2 (g7) | n—d1×深度 | ||||||
ZX-0.3YS | 3 | 30 | 0.46 | 1500 | 88 | 72 | 10 | 3 | 22 | 7.5 | 6.5 | 80 | 47 | 3—M4×8 | 自然冷 |
ZX-0.6YS | 6 | 60 | 0.53 | 1500 | 105 | 83 | 12 | 4 | 26 | 7.5 | 6.5 | 97 | 55 | 3—M4×8 | 自然冷 |
ZX-1.2YS | 12 | 90 | 0.81 | 1500 | 118 | 91 | 15 | 5 | 29 | 9 | 6 | 110 | 62 | 3—M4×8 | 自然冷 |
ZX-2.5YS | 25 | 120 | 0.94 | 1500 | 139 | 106 | 20 | 6 | 36 | 13 | 5 | 129 | 62 | 4—M5×10 | 自然冷 |
ZX-5YS | 50 | 160 | 1.24 | 1500 | 182 | 132 | 25 | 8 | 43 | 14 | 9 | 169 | 80 | 4—M6×10 | 自然冷 |
ZX-10YS | 100 | 270 | 2.15 | 1500 | 232 | 156 | 30 | 8 | 55 | 16 | 10 | 216 | 100 | 4—M8×13 | 自然冷 |







.jpg)
苏公网安备 32062102000172号