

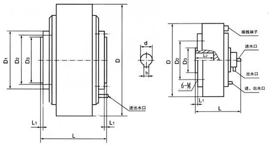
规格型号 | 额定转矩Nm | 额定电流A | 滑差功率Kw | 磁粉用量g | 冷却方式 | 外形尺寸 | 空心轴尺寸 | 法兰式联接尺寸 | |||||||
D | L | d(h) | b | L1 | D3(h) | D2 | D1 | M | L2 | ||||||
CZK-2.5 | 25 | 0.8 | 0.35 | 40 | 双侧散热筋 | 185 | 80 | 25 | 8 | 2.5 | 90 | 105 | 120 | 6 | 6 |
CZK-5 | 50 | 0.8 | 0.5 | 60 | 双侧散热筋 | 200 | 104 | 30 | 8 | 6 | 100 | 115 | 133 | 8 | 8 |
CZK-10 | 100 | 1.2 | 3 | 120 | 定子水冷双侧散热筋 | 270 | 121 | 40 | 12 | 8 | 135 | 182 | 236 | 10 | 10 |
CZK-20 | 200 | 2.5 | 5 | 200 | 定子水冷 | 300 | 136 | 45 | 14 | 5 | 180 | 220 | 250 | 10 | 10 |
CZK-40 | 400 | 2.2 | 7 | 380 | 定子水冷 | 380 | 190 | 50 | 14 | 5 | 165 | 195 | 220 | 10 | 10 |
CZK-50 | 500 | 2.5 | 8 | 400 | 定子水冷 | 400 | 156 | 62 | 18 | 6 | 200 | 240 | 330 | 12 | 12 |
CZK-63 | 630 | 2.5 | 9 | 500 | 定子水冷 | 400 | 156 | 62 | 18 | 6 | 200 | 240 | 330 | 12 | 12 |
CZK-100 | 1000 | 2.5 | 18 | 1000 | 单双水冷 | 480 | 390 | 60 | 18 | 6 | 185 | 343 | 385 | 12 | 100 |
CZK-200 | 2000 | 3 | 30 | 1800 | 单双水冷 | 570 | 435 | 75 | 20 | 8 | 200 | 433 | 490 | 12 | 110 |
CZK-500 | 5000 | 3 | 45 | 4200 | 单双水冷 | 776 | 525 | 90 | 25 | 8 | 250 | 586 | 640 | 12 | 140 |
空心轴法兰式磁粉制动器概述
水冷的磁粉制动器、离合器运转后即通水(水压不大于1.5/cm2)出水口不得有压力。转子带水冷的磁粉制动器,在出水口的里端有一小滴水孔,如发现滴水应及时更换同型号的水封,切勿堵塞。自然冷却或风冷的制动器、离合器、表面温度不得超过80摄氏度。可用风扇或鼓风机强迫冷却。如余量大、转速低、表面温度低可不通水。
空心轴法兰式磁粉制动器特性
空心轴法兰式磁粉制动器的输出转矩大致和励磁电流成正比,在额定电流和额定转矩范围内有较好的线性关系。转矩控制的范围广,控制的精度高,能用简单方法来实现转矩的大范围调整和精密微调,通过调节控制电流就能十分方便的调节输出转矩,控制功率小(约为输出功率的%左右),输出转矩大(可达数万,为简化控制方式提供了方便。因此,同样的使用功能下,具有较简单的结构和较低的成本。







.jpg)
苏公网安备 32062102000172号