南通海菱磁粉制动器制造有限公司
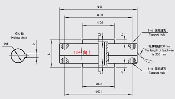
机座式磁粉制动器通过磁粉链的可控摩擦效应,将电信号转化为精准的机械扭矩输出,是卷取类设备“恒张力控制”系统的配套执行元件,广泛应用于对张力精度要求严苛的行业。
磁粉制动器具有制动反应速度快、制动处理能力强、精度高等特点,同时由于它不会因为制动而磨损而使其寿命得以延长,被广泛地应用于印刷机械、包装机械、缝制设备、纺织机械等各个领域。
磁粉制动器通过通电的激磁线圈产生磁场,使磁粉在转子间形成磁粉链,从而传递扭矩。当激磁电流消失时,磁粉链消失,磁粉制动器即停止工作。
© 2023 南通海菱磁粉制动器制造有限公司 苏公网安备 32062102000172号 备案号: 苏ICP备12041181号-1 技术支持: 天正企划