
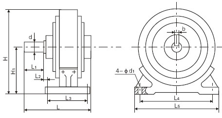
规格型号 | 额定转矩Nm | 额定电流A | 滑差功率Kw | 磁粉用量g | 冷却方式 | 外形尺寸 | 轴联接尺寸 | 机座联接尺寸 | ||||||||
H | L | d(h) | b | L1 | L2 | L3 | L4 | L5 | H1 | d1 | ||||||
CZ-0.2 | 2 | 0.5 | 0.05 | 10 | 自然 | 106 | 105 | 9 | 消扁 | 20 | 32 | 56 | 88 | 104 | 56 | 6.5 |
CZ-0.5 | 5 | 0.6 | 0.13 | 15 | 自然 | 135 | 122 | 12 | 4 | 20 | 22 | 60 | 110 | 125 | 72.5 | 6.5 |
CZ-1 | 10 | 0.8 | 0.26 | 30 | 自然 | 165 | 135 | 12 | 4 | 22 | 32 | 72 | 120 | 150 | 90 | 9 |
CZ-2 | 20 | 0.6 | 0.4 | 45 | 双侧散热筋 | 220 | 160 | 18 | 5 | 30 | 29 | 78 | 155 | 200 | 120 | 11 |
Cz-2.5 | 25 | 0.8 | 0.45 | 50 | 双侧散热筋 | 213 | 160 | 20 | 6 | 38 | 45 | 60 | 165 | 200 | 120 | 9 |
CZ-5 | 50 | 0.8 | 0.5 | 60 | 双侧散热筋 | 220 | 165 | 22 | 6 | 35 | 30 | 78 | 155 | 200 | 120 | 11 |
CZ-5S | 50 | 0.8 | 1.5 | 60 | 定子水冷 | 245 | 160 | 22 | 6 | 35 | 15 | 100 | 185 | 220 | 135 | 11 |
Cz-10B | 100 | 1.3 | 1.8 | 130 | 双侧散热筋 | 283 | 205 | 30 | 8 | 50 | 36 | 100 | 200 | 250 | 155 | 13 |
CZ-10 | 100 | 1.2 | 3 | 120 | 定子水冷双侧散热筋 | 300 | 255 | 28 | 8 | 55 | 42 | 100 | 185 | 240 | 165 | 13 |
CZ-20 | 200 | 2.5 | 5 | 180 | 定子水冷双侧散热筋 | 335 | 290 | 35 | 10 | 60 | 38 | 125 | 268 | 320 | 180 | 13 |
CZ-30 | 300 | 2.0 | 6 | 300 | 定子水冷 | 400 | 320 | 45 | 14 | 70 | 26 | 150 | 300 | 360 | 210 | 13 |
CZ-40 | 400 | 2.2 | 7 | 380 | 定子水冷 | 400 | 320 | 45 | 14 | 70 | 26 | 150 | 300 | 360 | 210 | 13 |
CZ-50 | 500 | 2.5 | 10 | 400 | 单双水冷 | 440 | 410 | 60 | 18 | 100 | 50 | 130 | 340 | 400 | 240 | 17 |
CZ-63 | 630 | 2.5 | 12 | 500 | 单双水冷 | 440 | 410 | 60 | 18 | 100 | 50 | 130 | 340 | 400 | 240 | 17 |
CZ-100 | 1000 | 2.5 | 18 | 1000 | 单双水冷 | 520 | 490 | 60 | 18 | 100 | 49 | 220 | 430 | 500 | 280 | 17 |
CZ-200 | 2000 | 3 | 30 | 1800 | 单双水冷 | 610 | 545 | 75 | 20 | 110 | 45 | 250 | 520 | 600 | 325 | 22 |
CZ-500 | 5000 | 3 | 45 | 4200 | 单双水冷 | 818 | 665 | 90 | 25 | 140 | 50 | 320 | 600 | 700 | 430 | 22 |
CZ-1000 | 10000 | 4 | 60 | 6800 | 单双水冷 | 1125 | 715 | 120 | 32 | 160 | 45 | 360 | 900 | 1050 | 600 | 26 |
CZ-2000 | 20000 | 4 | 80 | 8000 | 单双水冷 | 1425 | 780 | 155 | 40 | 180 | 105 | 320 | 1300 | 1450 | 750 | 34 |
单出轴机座式磁粉制动器概述
单出轴机座式磁粉制动器(CZ1000(10000nm)磁粉制动器)是一种以磁粉为工作介质,以激磁电流为控制手段,达到控制制动或传递转矩的目的。其输出转矩与激磁电流呈良好的线性关系而与转速或滑差无关,并具有响应速度快结构简单等特点。
按励磁线圈的供电方式,磁粉制动器有两大类产品:线圈旋转式和线圈静止式。线圈旋转式旋转线圈的供电是经过安装在轴上的滑环进行的,由于接电方式的不可靠和线圈在高速旋转过程中有可能发生的不平衡引起震动,这种类型的产品已经很少应用,目前市场上的绝大部分产品都采用线圈静止型的。
单出轴机座式磁粉制动器用途







.jpg)
苏公网安备 32062102000172号