
一、产品概述
1、概述
TC818张力控制器采用图形液晶显示器,可选择中、英文显示,界面友好易用,可输出0〜24V/4A或 0〜36V/3A直接驱动磁粉离合器,磁粉制动器,也可以输出0〜5V,4〜20mA,-5V~+5V信号,控制变频器,伺服电机或其它执行机构,对卷料系统进行髙粘度的张力控制。可广泛应阳于造纸、印刷、包装、纺织卬染等行业。
TC818可以设置为全自动张力控制器或卷径张力控制器,当功能选择[29][1]设置为自动张力控制时,TC818为全自动张力拉制器,需安裝张力传感器,组成闭环控制系统。当功能选择[29]设置为卷径张力控制时,TC818为卷径张力控制器,只需安装接近开关/编码器对料卷半径进行测量,控制器根据卷径张力控制。
第四章主要介绍全自动张力控制器的调试及操作,第五章主要介绍卷径张力控制器的调试及操作。

2、功能特点
采用128x96图形液品显尔器,中、英文显不选择,操作界面友好。
可选择全自动张力控制或卷径张力控制功能。
全数字化设计,无可调电位器,张力标定过程简单,张力测量精确、稳定、可靠。
可以接收单路/双路传感器输入信号,适应各种张力传感器作为输入信号使用:
①.可选用微位移专用张力传感器(输入信号范围为200mV,供电电源5V)
②.可选用应变片式张力传感器(输入信范围为20mV,供电电源10V)
③.可接0〜2KΩ电阻信号,测量角度位移,用于浮辊式张力控制系统。
采用接近开关测量卷径,,可实现锥度张力控制功能。
可选串行通信功能,可选RS485或RS232通讯接口与PLC、PC组成集散系统。
采用无超调PID算法,保证系统启/停过程中张力无超调。
具有双轴切换功能及加减速控制功能。
自动/手动控制方式尤扰切换。
数密码保护,防止误修改。
采用适应性强的开关屯源(92〜264V),保证长期可靠运行。
[1]控制器参数,[]里的数字表示参数序号,所有的参数都以该形式表示。
3、型号定义
TC818张力控制器硬件采用模块结构,型号定义如下:


例如:
(1) TC818-36V/0/0/0-V3.00表示主输出为36V/3A,软件版本号为V3.00的张力控制器。
(2) TC818-24V/V05V05V0-V4.00表示主输出为24V/4A,辅助输出1和辅助输出2为0~5V,软件版本号为V4.00的张力控制器。
4、操作界面及操作简介

1、Set/Esc键:用这两个键可以进行各种菜单的选择或设定的确认。
Set键:进入下级菜单或确认执行。
Esc键:返回上级菜单或确认返回。
2、自动/手动切换键及指示灯
按此键可实现自动控制模式和手动控制模式的双向无扰切换。
当控制器工作在自动控制模式时,自动控制指示灯(AUTO)点亮,可旋转数值设定旋钮或按递增键/递减键修改张力设定值,按AUTO/MAN键可切换到手动控制模式。
控制器处于停止运行状态时,AUTO指示灯闪烁。
当控制器工作在手动控制模式时,手动控制指示灯(MAN)点亮,可旋转数值设定旋钮或按递增键/递减键直接修改输出值,按AUTO/MAN键可切换到自动控制模式。
当控制器从手动控制模式切换到自动控制模式时,控制器将此时的测量值设置为设定值,实现无扰切换。
当张力测量出错,显示故障代码时,控制器将自动切换到手动控制模式,按AUTO/MAN键也不能切换到自动控制模式。
3、输出开关键及指示灯
此键控制输出开关,重复按此键,输出则在ON/OFF之间切换。
允许输出时,OUTPUT ON/OFF指示灯亮;
禁止输出时,OUTPUT ON/OFF指示灯火,LED品示器显示OFF,输出值为0.0%。
4、LED显示切换键及指示灯
按此键可使LED显示窗分別显示张力测量值(kg/N指示灯点亮),输出值(%指示灯点亮),卷径大小(mm指示灯点亮)。
5、键锁定键
当控制器处于“自动控制”或“手动控制”显示界面时,此键用于锁定(防止误操作)或解锁,键锁定后将使递增键 、递减键、Set/Esc键、自动/手动切换键、输出开关键和数值设定旋钮失效。
LOCK指示灯亮表示锁定,LOCK指示灯灭表示未锁定。
如果功能选择[29]设置为卷径张力控制,当处于“密码输入”显示界面,按此键将使卷料半径恢复为初始卷径R1,如果此时控制方式[30]设置为曲线程序控制,按此键可进入“卷径-输出”参数设置菜单查看或修改曲线程序。
6、OUT:输出指示灯
该指示灯为绿色,指示灯的亮度与输出值大小相关,输出值越大,指示灯越亮。
当输出值为零时,OUT指示灯熄火。
7、OUTA:A轴输出指示灯
该指示灯为红色,当A轴输出时,指示灯亮。
8、OUTB :B轴输出指示灯
该指示灯为红色,当B轴输出时,指示灯亮。
9、ALM:张力报警指示灯
该指示灯为红色,在张力系统运行过程中,根据报警输出[44]和张力报警值[04]的设置,当满足报警条件是,ZT继电器动作,产生报警信号。在系统启动/停止、轴切过程中不报警。详细见报警功能。
10、COM:通讯指示灯
该指示灯为红色,TC818接收到上位机发送的有效命令,应答回数据时COM灯点亮。
二、安装与电气连接
1、外形尺寸

2、安装
TC818张力控制器可采用水平安装、立面安装或屏式开孔安装方式:

3、电气连接
3.1接线注意事项
[1]输入、输出信号等若电线应远离仪器电源线、动力电源线等强电线,以避免产生信号干扰。
[2]输入、输出等弱电端子切记不能接强电,否则将烧毁整个仪表,千万不可大意。
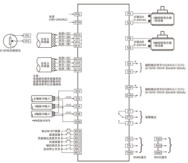
3.2接线图


3.3接线端子说明
接线排1:
序号 | 名称 | 类型 | 技术参数 | 说明 |
1 | PSL, PSN | 输入 | 1.85VAC-264VAC | 接220V AC电源 |
2 | ZT, ZTC | 输出 | 张力报警输出 | |
3 | PA, NA | 输出 | 输出24V/4A 或 36V/3A | 接A轴磁粉离合器或磁粉制动器 |
4 | PB, NB | 输出 | 输出24V/4A 或 36V/3A | 接B轴磁粉离合器或磁粉制动器 |
5 | MCC | 输入 | 外部输入开关信号公共端 | |
6 | MC1 | 输入 | 外部启动/停止控制信号输入端子 | |
7 | MC2 | 输入 | 外部双轴切换控制信弓输入端子 | |
8 | MC3 | 输入 | 外部加速控制信号输入端子 | |
9 | MC4 | 输入 | 预备输出选择开关输入端子 | |
10 | MC5 | 输入 | 外部减速控制信号输入端子 | |
11 | MC6 | 输入 | 输出ON/OFF控制信弓输入端子 | |
12 | +24V, GND | 输出 | 外部接近开关(或旋转编码器)供电电源 | |
13 | DIO | 输入 | Zui高频率15kHz | 主轴接近开关输入端子 |
接线排2:
序号 | 名称 | 类型 | 技术参数 | 说明 |
1 | DIA | 输入 | 摔15kHz | A轴接近开关输入端子 |
2 | DIB | 输入 | Zui高频率15kHz | B轴接近开关输入端子 |
3 | GRL | 输入 | 输入信弓范围0〜200mV 或0〜20mV 或0〜2K电阻信号 | 左张力传感器输入信号+ |
4 | WHL | 输入 | 左张力传感器输入信号- | |
5 | REDL | 输出 | 输出电源电压5V 或10V | 左张力传感器电源+ |
6 | BLKL | 输出 | 左张力传感器电源- | |
7 | GRR | 输入 | 输入信弓范围0〜200mV 或0〜20mV | 右张力传感器输入信号+ |
8 | WHR | 输入 | 右张力传感器输入信号- | |
9 | REDR | 输出 | 输出电源电压5V 或10V | 右张力传感器电源+ |
10 | BLKR | 输出 | 右张力传感器电源- | |
11 | SA, SN | 输出 | 0〜20mA 或 0-5V | 辅助输出1 (0〜5V,接A轴执行机构) |
12 | EAR EAN | 输出 | 0〜20mA 或 0-5V | 辅助输出2 (0〜5V,接B轴执行机构) |
13 | TR+.TR-.TRG | 输出 | 接 RS232成 RS485 | RS232/RS485通讯接口 |
14 | +5V.0V | 输出 | 备用电源 |
三、菜单操作
1、画面与菜单结构

2、主要画面介绍
(1)自动控制—恒张力模式运行画面

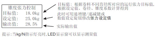
(2)自动控制—锥度张力模式运行画面

(3)手动控制模式

(4)张力测量值监视

(5)密码界面

(6)参数菜单

3、参数说明
下表按功能对参数进行了分类


四、自动张力控制
请按以下步骤进行调试:
[1]确保张力控制器安装及接线正确后接通电源。
[2]确保张力传感器安装及接线正确,检查并判断张力传感器信号是否正常。
[3]对张力测量的相关参数进行编程设定。
[4]对张力信号的零点及满量程进行标定,并确认张力显示正常,如张力显示不正常回到步骤[2]。
[5]通过手动调节、运行对系统进行检查,确认张力显示正常,执行机构运转正常。
[6]如以上步骤正常,切换到自动控制模式,根据运行情况对PI参数进行调整,确保张力系统平稳运行。
1、张力测量
1.1张力传感器安装及接线
TC818可接受多种张力传感器输入信号,对不同的传感器要进行相应的跳线设置:
[1]微位移专用张力传感器,输入信号范围为200mV,5V供电(如LX系列,和三菱张力传感器兼容);
当选用此类传感器时,请将控制板上的跳线JP7,JP8短接,J8跳到+5V,输出5V电源。
[2]应变片式张力传感器,输入信号范围为20mV,10V供电(如SUP系列,CTS/HTS系列);
当选用此类传感器时,请将控制板上的跳线JP7,JP8断开,J8跳到+10V位置,输出10V电源。
[3]在浮辊式张力系统中,当选用的角度传感器为0~2KΩ点位器时,请将控制板上的跳线L1短接(为点位器提供恒流源),JP7,JP8短接。

1.2张力测量相关参数设置
为了使控制器能正确测量卷料张力,必须对与张力测量相关的参数进行正确的设置:
1、传感器选择[24]
此控制器可选择单个或两个张力传感器工作,请根据传感器安装情况进行设置。
在浮辊式张力系统中,只需接一个角度传感器(接线端子GRL,WHL),传感器选择[24]设力左张力传感器。
2、显示单丄立_12.5丄
TC818可以选择两种单位显示张力测量值:“kg (千克)”和“N (牛顿)”。
3、信号范围 [26]
此控制器可选择±30mV,±300mV两种信号范围,根据安装的传感器选择对应的信号范围。
如选LX系列张力传感器,将信号范围[26]设置为±300mV。
如选SUP/CTS/HTS系列张力传感器,将信号范围[26]设置为±30mV。
在浮辊式张力系统中,当选用的角度传感器为0-2KΩ电位器时,将信号范围[26]设置为±300mV。
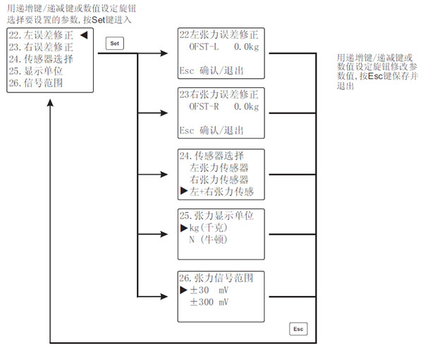
4、左误差修正[22]/右误差修整[23]
当测量值发生零点偏移时,如偏移误差较小,可以对传感器误差进行修正,通过修正可以校正零点,所设置的修正值将加到张力显示值中,如偏移误差较大,应对控制器进行重新标定。
进行张力标定时,该修正值复位为0。
5、显不滤波[47]
控制器具有数字滤波算法,可以去除测量信号干扰和跳变,使测量显示稳定。
滤波系数越大,测量显示越稳定,但反应变慢,一般设为2.00。
.jpg)
1、3张力标定
为了进行正确的闭环张力控制,张力显示必须准确,必须对张力控制器进行标定,标定好的张力控制器指示的张力值才能达到现想的精度。TC818张力控制器采用两点线性标定法,标定过程十分简单。
(1)注意事项
[1]标记前,确保张力传感器接线无误,并确认跳线JP7,JP8, J8, L1, L2位置与所选的传感器相对应,确认张力传 感器正常工作,张力信号在所选氧程之内。
[2]如选LX系列张力传感器,请将控制板上的跳线JP7,JP8短接,J8跳到+5V,信号范围[26]设置为±300mV。
[3]如选SUP/CTS/HTS系列张力传感器,请将控制板上的跳线JP7,JP8断开,J8跳到+10V,信号范围[26]设置为±30 mV。
[4]在浮辊式张力系统中,当选用的州度传感器为0〜2KL>电位器时,请将控制板上的跳线L1短接(为电位器提供 恒流源),JP7, JP8短接,将信号范围「261设置为±300mV。
[5]用万用表200mV档测量传感器输出信号,传感器未受力时,大约为0mV左右;当传感器受力时,输出信号将会有变化:力越大信号越大,但不能超过传感器的Zui大输出信号,LX系列张力传感器不会超过200mV, SUP/CTS/HTS系列张力传感器不会超过20mV,否则传感器有故障,需更换、安装后再标定。
(2)零张力标定
目的:对轴承和检测辊的毛重负载进行校正。
注意:零张力标定应该在安装检测辊,但不加载卷料的状态下进行。
在浮辊式张力系统中,将浮辊调至Zui低位置,进行零张力标定。

更多详细介绍 预览
苏公网安备 32062102000172号