
扭矩传感器概述
本系列扭矩传感器是在标准测扭应变传感器的基础上研发的传递扭矩参数的传感器。扭矩传感器可感知各种旋转或非旋转机械部件上的扭转力矩,将扭力的物理变化转换成精确的电信号,从而达到监测被测体的扭矩及功率的目的。
扭矩传感器特点
1、扭矩测量功能;能源及信号非接触传递功能;输出信号数字化功能。
2、HX型扭矩传感器可以传递静止扭矩信号、旋转扭矩信号、动态扭矩信号、静态扭矩信号。
3、传递信号时与是否旋转,转速和转向无关。可以适应长时间,高转速运转。
4、HX型扭矩传感器精度高,稳定性好;
5、体积小,重量轻,易于安装;
6、不需反复调零即可连续传递正反转扭矩信号;
7、没有集流环等磨损件,可以高转速长时间运行;
8、HX型扭矩传感器抗干扰性强;
9、可任意位置,任意方向安装。
扭矩传感器技术指标
- 量程范围:300000N•m 以下
- 精 度:0.2%
- 适用转速:1万转/分以下
- 环境温度:0℃-50℃
- 频率响应:100 μs
- 自重=9.6Kg
- 输出信号:0-12v方波频率; 零扭矩:10 KHZ ;正向满量程:15 KHZ ;反向满量程:5 KHZ 负载电流<10mA。
- 信号插座:(1)0V (2)+15V (3)-15V (4)空 (5)扭矩信号。
本系列扭矩传感器由于是变压器感应供电,可以长期工作,广泛应用于电机、发电机、减速机、柴油机的扭矩监测。
如果需要测量转速时,本系列扭矩传感器的外壳内已安装上专用测速传感器及其测速轮,可测得每转6-60个方波的转速信号。

1. 使用两组联轴器,将带扭矩信号耦合器的传感器安装在动力源和负载之间。
2. 建议用挠性.弹性或万向节联 轴器,以保证同心度∠0.1mm
3.动力及负载设备必须固定可靠避免振动。
4.将本扭矩信号耦合器的基座与设备的基座尽可能采用柔性固定(可以摆动),避免产生弯矩。
三、信号处理
1、使用TR3A型转矩转速采集仪直接显示扭矩转速功率值;
2、直接将扭矩频率信号送给计算机或PLC进行处理;
3、外接模块可转换为4—20m A或1—5V模拟信号.(选项)
四、使用注意
1、接线必须正确;
2、±15V的范围:不得低于± 14.5V 不得高于±15.5V;
3、信号线输出不得对地,对电源短路,输出电流不大于10mA;
4、屏蔽电缆线的屏蔽层必须与±15V电源的公共端(电源地)连接。
5、使用中如有疑问请及时与本公司联系,保修期之内不得自行拆 。
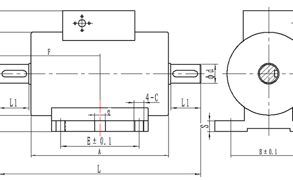
HX5-500N.m规格尺寸表
N•m | φD | φd | L | L1 | E | e | C | A | H | h | B | F | s | 转速(转/分) | 自重 | 键(长*宽*高) |
5-100 | 78 | 18 | 188 | 28 | 72 | 11 | M8 | 128 | 115 | 54 | 80 | 94 | 10 | 9000 | 3.9 | 单键23*6*6 |
200 | 88 | 28 | 207 | 35 | 72 | 11 | M8 | 133 | 124 | 60 | 80 | 103.5 | 10 | 8000 | 5 | 单键29*8*7 |
500 | 98 | 38 | 240 | 45 | 72 | 11 | M8 | 146 | 142 | 65 | 80 | 120 | 10 | 7000 | 6.1 | 双键38*10*8 |

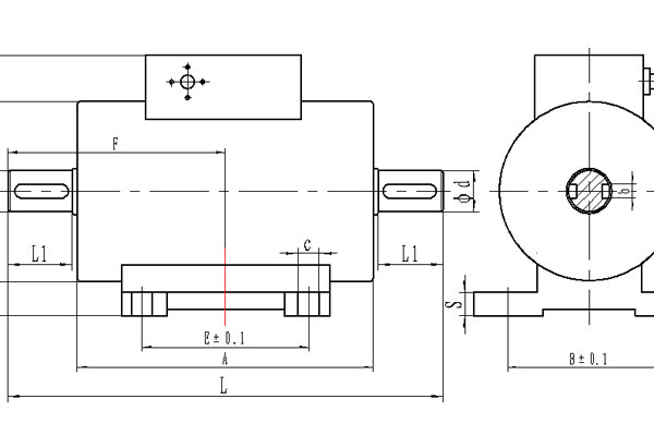
HX1000-30万N.m规格尺寸表(9款)
N·m | φD | φd | L | L1 | E | A | H | h | B | F | s | c | 转速(转/分) | 自重 | 键(长*宽*高) |
1000 | 108 | 48 | 275 | 60 | 69 | 149 | 152 | 70 | 90 | 137.5 | 15 | 11 | 6300 | 9.6 | 双键50*14*9 |
2000 | 118 | 55 | 298 | 70 | 69 | 152 | 164 | 77 | 124 | 149 | 15 | 11 | 5600 | 13.7 | 双键60*16*10 |
5000 | 143 | 75 | 356 | 100 | 68 | 150 | 188 | 90 | 146 | 178 | 15 | 13 | 4800 | 22 | 双键93*20*12 |
1万(2万) | 158 | 98 | 388 | 118 | 80 | 146 | 215 | 109 | 170 | 194 | 15 | 13 | 4000 | 34 | 双键109*28*16 |
5万 | 215 | 140 | 451 | 135 | 79 | 171 | 265 | 138 | 170 | 225.5 | 15 | 17 | 2800 | 55 | 双键123*36* |
10万 | 247 | 180 | 572 | 180 | 90 | 156 | 305 | 162 | 250 | 261 | 25 | 17 | 2200 | 85 | 双键166*45*25 |
15万 | 350 | 235 | 900 | 315 | 220 | 250 | 420 | 220 | 250 | 450 | 25 | 17 | 2000 | 双键315*56*32 | |
20万 | 360 | 255 | 900 | 320 | 220 | 210 | 446 | 240 | 250 | 450 | 25 | 17 | 1800 | 双键320*56*32 | |
30万 | 416 | 295 | 900 | 325 | 220 | 224 | 480 | 250 | 268 | 450 | 25 | 17 | 1800 | 双键325*70*36 |








.jpg)

苏公网安备 32062102000172号